Hooking up flojet 7gpm 80 psi to a skid. The flojet has the negative ground wire going Internally to the bas of the pump with there are A positive and negative post...so I assume it is internally to the negative post. It has a red positive wire available on the outside...I want to hook it up to the switch where an old 5800 is....any thoughts on wiring?
So you're saying it has three wires instead of two?
Hard to tell from the pic.
Patrick G said
Feb 9, 2016
Erik this is a $450 pump ....I got a deal I couldn't refuse.......No it has two wires...the black on goes into the " body " ...just the red one is on the outside ready for wiring...
Maverick Contracting said
Feb 10, 2016
Ouch, if that's the old pentaflex 7gpm it's nothing but trouble .
First pump I bought, search the old rrrica for info, maybe updated but the relay is embedded in base, had to cut it out to fix
Art O said
Feb 10, 2016
Did you take them pictures with your grandfathers polaroid camera?
Fred W said
Feb 10, 2016
Any pictures of the second wire where it enters and exits the body?
I think we're missing something here as it must have at least two wires to operate.
Do us a favor and take a few more pics.....but not with your dad's Polaroid.....:}
John Aloisio said
Feb 10, 2016
Pat,
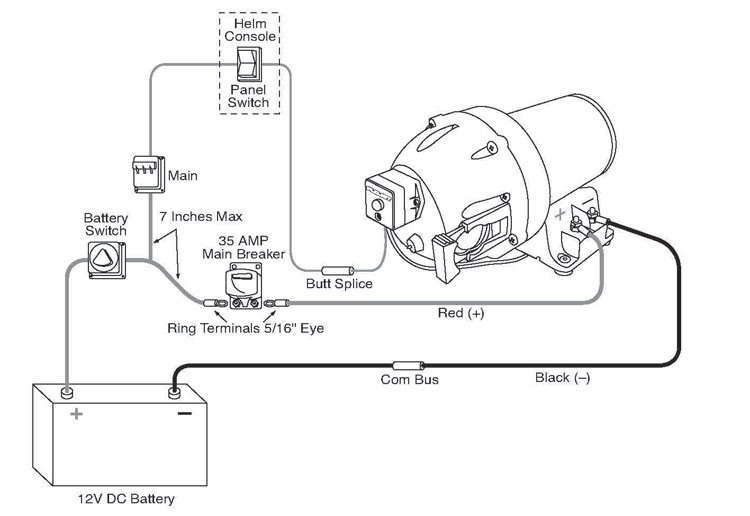
Yes the negative is internal. The pump should have come with a wiring block for the two wires. Also, did Zach's skid have the on/off switch installed???? I did not see it in the pics you posted. They were always wired from the block to the switch and then to the breaker you showed. I attached a older pic of what mine looked like and I will take a pic at the shop later today and post for you. See the red arrow for the switch.
Yes the negative is internal. The pump should have come with a wiring block for the two wires. Also, did Zach's skid have the on/off switch installed???? I did not see it in the pics you posted. They were always wired from the block to the switch and then to the breaker you showed. I attached a older pic of what mine looked like and I will take a pic at the shop later today and post for you. See the red arrow for the switch.
Hope this helps.
I think all that stuff was stripped out. I don't remember seeing all that stuff in there when we picked it up.
Patrick G said
Feb 10, 2016
Maverick it looks like the relay is on the outside. Thanks John...there is no on and off switch, do you know where I can get one? Do you think this pump is better then the fatboy? Like am I wasting my time with it? Also what is that round glass thing that came with it/
I also have had nothing but bad luck with those pumps, never use them again. Make sure you have a backup handy. I had a brand new one go out in 1 day.
John Aloisio said
Feb 10, 2016
Pat,
Any West Marine should have them or Grainger. That is a filter which I just tossed when I used them.
The have not made this pump for over 18 months now and you might have the last one in existence. Flojet replaced them with the VersaJet. I personally had decent luck with them and I liked the distance we got with them. I ordered the last 4 Dultmeier had at the end of 2014 and could not find anymore. Some guys had issues and some did not.
Art O said
Feb 10, 2016
Pat use the flojet for a Transfer pump in your new state of the art shop and the FatBoy you just ordered on your S/W Skid. Why screw around with a pump your not sure of?
Jeff Wible said
Feb 10, 2016
Diamond Roof Cleaning wrote:
Pat the clear thing is a filter. I have only gotten 4 months tops out of those pumps and we rinsed everyday.
Hey Mike,..when you say 4 months,...is that using it 3-4 days a week,..or more,....because seems to me that even at the cost of the pumps that still seems like a pretty good ROI? If it's problematic,..then all bets are off,..I hate problematic stuff. But,.if there is better,..then I agree,..that's still what you go with,..was just doing some rough head math real quick,Ha,Ha,..
*In this business,..you have to have really junky junk not to be able to turn a profit,..but the PITA factor is always there with junky junk,..even if it is making money.
Jeff
Patrick G said
Feb 10, 2016
Wow thanks for the great info Mike, John and my main man Hank. Art I think you are right a transfer pump....Don't let others know I have a shop now lol. I keep telling my wife " I'm going to my shop "
Diamond Roof Cleaning said
Feb 10, 2016
Jeff, Yes that was the longest I had one last. That was working 5-6 days a week. I had one crap out as quick as 2 weeks. I switched to the versa jet and I get about 6-7 months out of one. I also have a everflo and I got about six months out of that one as well.
I also have 2- 5850's for back up just in case.
Patrick G said
Feb 10, 2016
Mike do you like that pump better then the fatboy...and what do they run?
Diamond Roof Cleaning said
Feb 10, 2016
It's a 5 gpm pump and I like them especially with employees becuase they don't spray as much as the fatboys. I had 2 5850 last all season before. For 134 plus shipping they are good pumps.
Liberty SoftWash said
Feb 10, 2016
Diamond Roof Cleaning wrote:
It's a 5 gpm pump and I like them especially with employees becuase they don't spray as much as the fatboys. I had 2 5850 last all season before. For 134 plus shipping they are good pumps.
We only use the 5850s.
Maverick Contracting said
Feb 10, 2016
Mike what distance do you get with 5gpm assuming you're shooting at a 45 degree angle? They are damn cheap.
John Aloisio said
Feb 10, 2016
The Versa Jets are 6 gallon per minute and the work fine. Also, we used the same two pumps all last year and just changed out the head/check valves, which is a $40.00 and 10 minute fix. The motors really last long, it's the valves that go.
Diamond Roof Cleaning said
Feb 10, 2016
Maverick, you can get 20-25 ft with no wind. We usually walk the roof but you can definetly get away with this pump on most roofs from the gutter line.
Patrick G said
Feb 10, 2016
Erik your not hitting those colonials in your videos with a 5880...your useing that gas engine pump right?
Jeff Wible said
Feb 11, 2016
You guys running 200' of 1/2" with the 5850's? What nozzle size,.30's or 40's,....is 20's doable?
Jeff
waxman18324 said
Feb 11, 2016
30's for me on the 5850. 40's for the fatboy.
Hank
Jeff Wible said
Feb 11, 2016
Thanks Hank,..which pump do you prefer as your everyday pump?
Jeff
waxman18324 said
Feb 11, 2016
Jeff,
Although we have used the fatboy we prefer the 5850. We rinse all pumps when finished.
Hank
Liberty SoftWash said
Feb 11, 2016
Patrick G wrote:
Erik your not hitting those colonials in your videos with a 5880...your useing that gas engine pump right?
Yes the udor, We just like using the 5850 for backup or transfer.
Hooking up flojet 7gpm 80 psi to a skid. The flojet has the negative ground wire going Internally to the bas of the pump with there are A positive and negative post...so I assume it is internally to the negative post. It has a red positive wire available on the outside...I want to hook it up to the switch where an old 5800 is....any thoughts on wiring?
Hard to tell from the pic.
First pump I bought, search the old rrrica for info, maybe updated but the relay is embedded in base, had to cut it out to fix
I think we're missing something here as it must have at least two wires to operate.
Do us a favor and take a few more pics.....but not with your dad's Polaroid.....:}
Pat,
Yes the negative is internal. The pump should have come with a wiring block for the two wires. Also, did Zach's skid have the on/off switch installed???? I did not see it in the pics you posted. They were always wired from the block to the switch and then to the breaker you showed. I attached a older pic of what mine looked like and I will take a pic at the shop later today and post for you. See the red arrow for the switch.
Hope this helps.
I think all that stuff was stripped out. I don't remember seeing all that stuff in there when we picked it up.
Maverick it looks like the relay is on the outside. Thanks John...there is no on and off switch, do you know where I can get one? Do you think this pump is better then the fatboy? Like am I wasting my time with it? Also what is that round glass thing that came with it/
I know a lot of questions....T/Y
Pat,
Any West Marine should have them or Grainger. That is a filter which I just tossed when I used them.
The have not made this pump for over 18 months now and you might have the last one in existence. Flojet replaced them with the VersaJet. I personally had decent luck with them and I liked the distance we got with them. I ordered the last 4 Dultmeier had at the end of 2014 and could not find anymore. Some guys had issues and some did not.
Hey Mike,..when you say 4 months,...is that using it 3-4 days a week,..or more,....because seems to me that even at the cost of the pumps that still seems like a pretty good ROI? If it's problematic,..then all bets are off,..I hate problematic stuff. But,.if there is better,..then I agree,..that's still what you go with,..was just doing some rough head math real quick,Ha,Ha,..
*In this business,..you have to have really junky junk not to be able to turn a profit,..but the PITA factor is always there with junky junk,..even if it is making money.
Jeff
I also have 2- 5850's for back up just in case.
We only use the 5850s.
The Versa Jets are 6 gallon per minute and the work fine. Also, we used the same two pumps all last year and just changed out the head/check valves, which is a $40.00 and 10 minute fix. The motors really last long, it's the valves that go.
Jeff
Hank
Jeff
Although we have used the fatboy we prefer the 5850. We rinse all pumps when finished.
Hank
Yes the udor, We just like using the 5850 for backup or transfer.